- Total:{{ cartCount }}
-
Electric Wire Rope Hoist (AC brake)
Electric Wire Rope Hoist (DC brake)
Electric Wire Rope Hoist (USA type) TU (DC-brake)
Electric Wire Rope Hoist (USA type) FU(DC-brake)
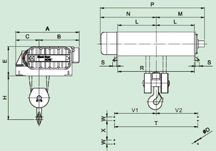
Electric Wire Rope Hoist (USA type) FU (AC-brake)
Electric Wire Rope Hoist (USA type) SU (DC-brake)
Electric Wire Rope Hoist (USA type) SU (AC-brake)
Electric Wire Rope Hoist (PM series) Monorail Type(EA/EB/EC)
Electric Wire Rope Hoist (PM series) Top Running Type(EA/EB/EC)
Electric Wire Rope Hoist (PM series) Top Running Type (ED/EF)
Electric Wire Rope Hoist (PM series) Micro Speed Controller of precise positioning
Economy Wire Rope Crab
Open Type Crab Trolley
Electric Wire Rope Hoist (USA type) Electric Rope Hoist
- Model:FU(AC-brake)
Specification


- Dimensions included control panel.


